Отказали клавиши управления на стиральной машинке Самсунг
Если не работают кнопки на стиральной машинке Самсунг — вы можете провести все действия, которые описывались в предыдущем разделе статьи. Однако у приборов бренда Самсунг есть и своя особенность в отношении поломок клавиш управления: клавиши могли не сломаться, а просто залипнуть или запасть (фото). Причин для западания кнопок несколько, но основной фактор для возникновения проблемы – набивание мокрого порошка в пазы или залитие кнопки какой-то липкой жидкостью.
Особенно опасно залитие кнопки, потому, что если жидкость попадет на провода панели управления, может произойти короткое замыкание.
Зависание на последней минуте или на режиме слива
Когда машинка зависает в самом конце стирки, так и не завершив процесс, либо на сливе, скорее всего неисправна помпа или ТЭНка. К тому же, зависание на начале стирки, причем на одном и том же времени также может говорить о неисправности нагревательного элемента.

Учитывая, что электронная начинка любого стирального агрегата состоит из деталей («железа»), и программного обеспечения («софта»), зависание может быть следствием нарушения работы как одной, так и другой составляющей. Например программное обеспечение (прошивка) нарушена и не дает сигнал на завершение режима стирки или слива. Сигнал может также не проходить и по причине нарушений в работе процессора или микросхем.

Зависание на режиме слива может свидетельствовать и о попадании посторонних предметов в помпу и ее блокировании, а также засорении сливного патрубка или шланга.
Поломка приводного механизма
Неисправность подшипников – одна из самых распространенных поломок. Она возникает на машинках, которые сильно изношены. Когда разрушается подшипник, барабан машинки во время вращения производит звук скрежета металла.
Барабан вращается с трудом. Он не может набрать требуемую скорость вращения, в результате чего происходит зависание стиральной техники. Для устранения этой поломки следует заменить неисправный подшипник либо приобрести новую стиральную машинку.
Следует отметить, что замена подшипника – очень трудоемкая задача. Если грохот отсутствует а подшипники исправны, но отжим белья не запускается, то необходимо внимательно послушать шум, издаваемый машинкой непосредственно перед зависанием.
Если стиралка издает легкий свист и происходит резкое падение скорости вращения барабана, то нужно проверить состояние приводного ремня.
Растянутый приводной ремень скользит по шкиву при резком увеличении скорости вращения барабана, в результате чего падают обороты. Растянутый ремень нужно заменять на новый.
Делается это следующим образом:
- Стиральную технику отключают от электросети и коммуникаций.
- Вытаскивают агрегат на такое место, где с ним удобно будет работать.
- Демонтируется задняя стенка машинки.
- Снимают растянутый приводной ремень. Для этого нужно взять его одной рукой и прокрутить шкив барабана второй рукой.
- Надевают новый ремень на шкив электродвигателя. Далее медленно вращают шкив барабана и надевают на него ремень. Затем нужно убедиться, что ремень хорошо сидит на шкивах.
- Выполняют сборку машинки в обратной последовательности.
Ремонт
Если простые неисправности в ходе диагностики были исключены, следует переходить к поиску и устранению сложных дефектов. Для этого придется полностью или частично разбирать прибор.
Инструменты, которые должны быть под рукой:
- отвертка;
- плоскогубцы;
- мультиметр;
- разводной ключ.
Начинать проверку нужно с деталей, расположенных на поверхности, постепенно продвигаясь вглубь прибора.
Сетевой фильтр
Фильтр располагается сразу под верхней крышкой стиральной машинки Атлант. Он предназначен для ее защиты от перепадов напряжения. При его неисправности на экране может появиться код F7.
Для устранения поломки соблюдают следующий порядок действий:
- Отключают машинку от всех коммуникаций.
- Снимают верхнюю крышку, открутив два болта, с помощью которых она фиксируется.
- Находят сетевой фильтр, который располагается на боковой стенке прибора.
- Проверяют его работоспособность с помощью мультиметра.
- Скручивают и заменяют деталь, если она неисправна.
- Собирают машинку, включают ее.
Кнопка Пуск
Поломка кнопки питания приведет к тому, что машинку не удастся включить. Зачастую дефект можно обнаружить сразу. Неисправная кнопка западает и болтается.
Если внешне кнопка выглядит нормально, ее нужно прозвонить мультиметром. При обнаружении поломки придется снимать верхнюю крышку и фронтальную панель. Заменить старую кнопку несложно, достаточно вставить провода в новые клеммы.
Причиной неисправности кнопки могут быть окислившиеся контакты. Чтобы восстановить работоспособность детали, их нужно зачистить.
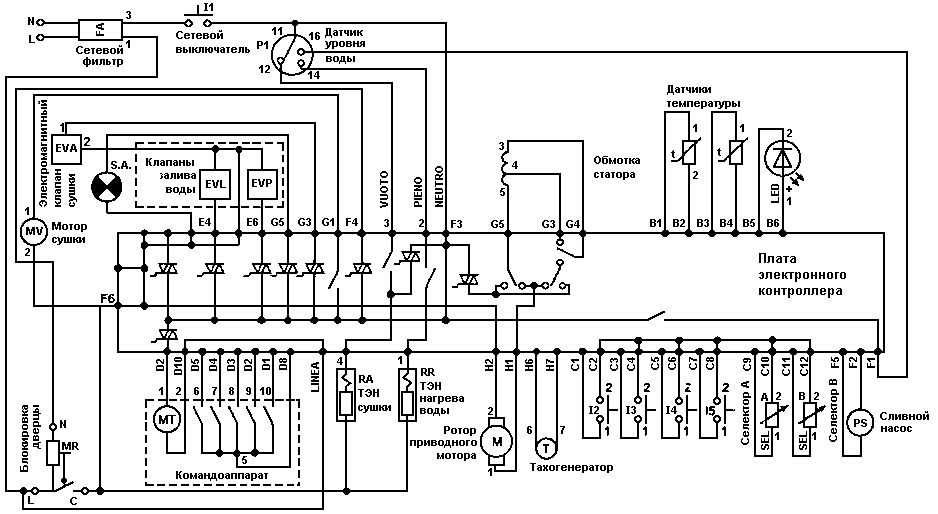
Плата управления
Поломка модуля управления приведет к полному прекращению работы стиральной машины. На дефект будут указывать коды ошибок F13 и F14.
Ремонт электронного контроллера сводится к выполнению следующих действий:
- Разобрать машинку, добраться до платы управления. Она находится в верхней части прибора, за передней панелью.
- Отсоединить провода, снять плату.
- Проверить работоспособность детали с помощью мультиметра.
- Устранить неисправность. Нерабочими могут оказаться определенные элементы платы, например, конденсаторы. Хотя иногда для восстановления ее работоспособности достаточно очистить дорожки от пыли и нагара, либо заменить проводку.
Если модуль ремонту не подлежит, требуется его замена, либо перепрограммирование.
УБЛ
Иногда происходит так, что машинка включается, но стирку не запускает. Причина может сводиться к поломке УБЛ. Это устройство предназначено для надежной фиксации дверцы люка во время работы прибора.
Проверить работоспособность блокиратора можно с помощью мультиметра. Также на экране прибора появляется код F10 или F11. Ремонту в большинстве случаев УБЛ не подлежит, требуется его полноценная замена.
Шнур питания
Шнур, ведущий от стиральной машины Атлант к розетке, может быть поврежден в месте сгиба, либо в области соединения с вилкой. Для начала его нужно осмотреть на предмет внешних дефектов.
Если они не обнаружены, но имеется подозрение, что неисправность сводится именно к проблемам со шнуром, его проверяют мультиметром. Прибор выставляют в режим «зуммер», щупы прикладывают к двум концам шнура. Писк, появляющийся при включении, указывает на то, что деталь исправна.
Если проблема заключается в вилке, то на ней могут быть обнаружены подплавленные участки, либо трещины. Пользоваться неисправным шнуром опасно, менять его нужно сразу.
Провода
Провода отвечают за подачу питания ко всем элементам стиральной машины, а также за отправку сигналов и команд, которые задает пользователь. При проблемах в цепи прибор не будет включаться.
Провода могут быть перебиты, либо повреждены грызунами. Для оценки их работоспособности придется разбирать стиральную машинку.
Особое внимание следует уделить клеммам, осмотреть надежность их крепления. При обнаружении окислов провода зачищают.
Проверим электропитание
Часто машинка-автомат отказывается включаться из-за неполадок с внешним электропитанием. Прежде чем паниковать, убедитесь, есть ли свет в комнате и квартире. Возможно, электричество отключили во всем доме, и нужно просто дождаться возобновления подачи.
Далее обратите внимание на электрощиток. Выясните, все ли переключатели установлены в «рабочее» положение
Возможно, при запуске стиралки, цепь перегрузило, поэтому сработало устройство защитного отключения. Необходимо щелкнуть автоматы обратно и проанализировать, какой электроприбор в доме временно отключить от сети, чтобы не допустить повторного перенапряжения и утечки тока.

Затем осматривается розетка. Обнаружив оплавленную пластмассу или темные пятна на ее корпусе и почувствовав запах гари, сразу же прекратите подачу тока в помещение, щелкнув соответствующий переключатель на щитке. Потребуется ремонт электроточки.
Запрещено пользоваться розеткой с оплавленной изоляцией, от которой идет дым или чувствуется запах гари – следует сразу обесточить сеть и пригласить электрика. Когда визуально розетка кажется целой, попробуйте подключить к ней любой другой электроприбор, например, фен. Если контакт есть, поиск «проблемной зоны» придется продолжить.
Устраняем неполадку
Прежде чем производить ремонт, необходимо выяснить, в чем причина неполадки. Самостоятельно решить проблему западания клавиш можно только в том случае, если засорились пазы. Нам придется частично демонтировать машинку, а именно верхнюю ее крышку и переднюю панель. Крышка снимается легко, нужно лишь выкрутить шурупы. Затем порядок действий будет такой:
- снимите контейнер для порошка, выдвинув его и нажав на кнопку для изъятия. Открутите два самореза рядом с пазом для диспенсера;
- выкрутите боковой саморез, удерживающий саму пластмассовую переднюю панель;
- убираем проводку модуля. Для этого открепите все проводные клеммы, удерживающие его. Если все клеммы разноцветные, вернуть их на место будет несложно;
- внутри передней панели есть как бы еще одна панель – плата, которая легко снимается путем отвинчивания саморезов;
- возьмите плату в руки и переверните, внимательно осмотрите имеющиеся в ней отверстия на наличие засорений, каких-то деформаций и посторонних элементов.
Если все в порядке, плату можно отложить и вернуться к пластмассовой панели. С обратной ее стороны параллельно кнопкам расположена металлическая продолговатая деталь. Ее тоже придется снять. Убрав ее, снимаем идущую за ней пластмассовую пластину и получаем доступ к кнопочным отверстиям.
После просушивания клавиш, нужно проверить, все ли работает. Для первичного тест-драйва вовсе не обязательно собирать СМ полностью. Сначала соберите саму панель управления и прям на ней попробуйте понажимать на кнопки. Если все двигается, можно производить окончательный монтаж, подсоединять провода, запускать агрегат и смотреть на результаты своей работы в действии. Если проблема западания не решилась, потребуется консультация мастера.
Поделитесь своим мнением — оставьте комментарий
Советы и рекомендации во избежание данной проблемы
Не стоит очень мало загружать барабан или наоборот класть слишком много вещей. Недостаточная или чрезмерная перегрузка приведет к тому, что или стиральная машина будет работать почти пустая, или, наоборот, белье превратится в один ком, который трудно будет выстирать, выполоскать. Также возникнут трудности с отжимом белья.
Аккуратно пользуйтесь стиральной машиной — это продлит срок ее эксплуатации. В инструкции к каждой стиральной машине указан допустимый объем для одной стирки. Там указано, какое количество хлопкового или иного белья следует класть для стирки.
Не стоит класть слишком много стирального порошка — это приведет к избытку пены, после чего возможно зависание стирального аппарата и загрязнит сам лоток для порошка.
Люк не закрывается герметично по механическим причинам – описание и рекомендации
Мы рассмотрим вначале механические причины, из-за которых люк не удается закрыть, потому что оба типа поломки практически никогда вместе не происходит, поэтому рассмотрим все по порядку. Но, перед тем как прочесть о поломках, помните, что люк мог износиться и из-за небрежного к нему отношения, если на нем устраивали «качели» коты или дети, если дверцей сильно хлопали и т.п.
Как устранять сбой
Что-то создает помехи герметичному закрытию дверей
Причина первая: перекосились петли на дверцах, поэтому «язычок», который фиксирует дверь, не может попасть в пазы.
Причина вторая: петли в порядке, но перекосился именно фиксатор. Это могло случиться, из-за того, что выпал специальный железный шток, который удерживает фиксатор.
В первом случае мастер проверяет уровень дверцы и то, плотно ли прикреплен люк. Если есть место перекосу, то дверца регулируется – это можно сделать и самостоятельно.
Во втором случае, нужно разобрать дверцу, найти шток и установить на свое место. В тяжелых ситуациях механизм замка нужно менять полностью.
Дверца закрывается, но без характерного звука (щелчка)
В отдельных моделях стиральных машин в конструкции замка есть направляющая, выполненная из пластика, которая помогает люку быть плотно запертым. Со временем, в процессе эксплуатации прибора, направляющая просто стирается, поэтому люк перестает фиксироваться, так как замок в паз не попадает.
Направляющую нужно заменить.

Основные причины неполадки
Рассмотрим основные причины неполадок, связанных с набором воды в бак стиральной машины.
- Поломка клапана, пропускающего воду. Заметить это можно в случае, если порошок не вымывается из отсека и остается сухим.
- Забитая сеточка в отсеке подачи воды. В таком случае жидкость будет поступать в барабан, но очень медленно, а машинка будет издавать характерный жужжащий или гудящий звук.
- Сломанный пресостат. Эта деталь напрямую отвечает за подачу жидкости, её объем. Если машинку долго не включали, трубочка, соединяющая преорстат с проводом, может засоряться и не позволять прибору нормально функционировать.
- Неполадки блока управления, сгоревшие резисторы, замыкание или западающие кнопки.
- Износ замка дверцы. Если дверца не закрывается как следует, срабатывает защитный механизм, не позволяющий набираться жидкости и выливаться наружу.
- Вы не включили все необходимые кнопки. Проверьте, все ли условия для начала стирки вы выполнили? Перепроверьте, не заедают ли основные кнопки или рычаги, корректно ли установлена температура, открыт ли кран для подачи воды, и имеются ли на дисплее машинки каки-либо предупреждающие надписи.
Внешние повреждения
Замок может не закрываться из-за обычного износа или небрежного обращения. Например, иногда на дверцу развешивают мокрые вещи, которые своим весом могут повредить механизм. Также повреждение может возникнуть, если закрывать агрегат с чрезмерным усилием.
Устройство может не закрыться по нескольким причинам:
- В результате длительного использования дверца стиральной машины была перекошена.
- Язычок в механизме замка, предназначенный для фиксации, был смещен.
- Произошел износ пластикового элемента или резиновой прокладки.

Выявить неисправность такого типа не составляет труда. Для проверки можно произвести тестовое закрытие в обычном режиме, без загрузки белья. Если дверца в таких условиях не закрывается, значит, произошла поломка замка, или перекошено крепление. Иногда это может быть связано с неправильной установкой, и тогда в неровном положении люк может перекашиваться под воздействием веса и вибраций. Как установить стиральную машинку правильно — читайте здесь.
Отладить работу машинки можно собственными силами. Внимательно осмотрите аппарат и замковый механизм. Проверьте:
- Препятствуют ли какие-то предметы закрытию. Иногда вещи полностью или частично могут попасть под люк и заклинить работу системы.
- Состояние запорного крючка: попадает ли он в паз.
- Нормально ли стоит фиксирующий язычок.
- Признаки отслоения пластика или резиновой прокладки.

Проблемы с крючком замка
Дверца машинки запирается крючком, который заканчивает стержень затвора. Именно этот крючок должен встать в гнездо и зафиксировать конструкцию. В результате износа, вибраций и других факторов несущий стержень может съезжать со своего места и в момент закрывания не попадать в гнездо. Дверца может не закрыться или закрыться, но датчик закрытия не сработает.
Решить проблему можно так: демонтировать дверцу люка, раскрутить ее по периметру. Раскрыть детали люка, установить основание крючка на место и собрать все в обратном порядке.
Провисание дверцы люка
Каркас дверцы обычно изготовлен из пластика. Все крепежные детали (петли) делаются металлическими. Пластик мягче металла, и со временем он истирается и деформируется в месте контакта. В результате дверца люка может провисать, как результат крючок замка при закрывании не попадает, куда положено. В такой ситуации необходимо сменить или всю дверцу, или крепежные детали. Сделать это можно по следующему алгоритму:
- снять дверцу люка;
- разобрать ее и заменить поврежденные элементы;
- установить дверцу на место.

Со временем дверца люка может провисать
Поломка ручки дверцы
Механизм замка в сборе состоит из следующих элементов: ручка, крючок замка, стержень замка, пружина. Поломка любой детали приводит к тому, что дверца не блокируется или не закрывается/открывается.
По статистике, чаще всего выходит из строя ручка дверцы, так как она подвержена самому активному воздействию со стороны пользователя. Для замены любой из перечисленных деталей требуется разобрать всю дверцу и произвести замену ручки.

Чаще всего ломается ручка дверцы люка
Для ремонта ручки:
- открутить дверцу;
- разобрать ее на составляющие;
- демонтировать старую ручку;
- установить новую деталь;
- собрать дверцу, установить ее на место.
Проверка исправности розетки
Нередко бывают ситуации, что машина автомат не запускает цикл стирки, потому, что сломалась розетка. Самый простой способ проверить работоспособность источника питания – индикаторная отвертка. Если такого измерительного прибора под рукой не оказалось, можно подключить в него другую электрическую технику (например, лампочку или зарядку мобильного телефона). В случае, когда разъем источника питания исправен, но стиральная машина все равно отказывается запускать стирку, причину следует искать в самом аппарате, для этого будет необходим мультиметр.
Стиральная машина Атлант выдает ошибку F3 – что значит?
Как проверить замок стиральной машины: советы по ремонту
Замок стиральной машинки не самое сложное устройство, но без него стирка невозможна. Он нужен для блокировки и герметизации люка в процессе стирки, полоскания и отжима белья.
Это устройство призвано обеспечить надежную автоматическую защиту от непроизвольного открытия дверцы и в случае поломки, останавливает программу стирки. Устройство блокировки двери при неисправности и износе требует ремонта или замены замка на стиральной машине.
Как устроен и как работает замок стиральной машины
Прежде чем проверить работоспособность блокиратора, нужно хотя бы знать, из чего он состоит и как устроен.
Стиральные машины разных производителей снабжены одним из двух типов закрывающих устройств для блокировки люка:
- Электромагнитные. Не могут похвастаться надежностью и эффективностью.
- С биметаллическими элементами. На современных машинках встречаются часто. Более популярны. Принцип работы такого замка основывается на тесном сотрудничестве трех элементов:
- фиксатора;
- термоэлемента;
- биметаллической пластины.
Замок люка стиральной машины спрятан в корпус из пластика, где в нижней части его находится отверстие для пружинного крепления, которое соединяет систему с люком.
При получении команды от модуля управления техники, устройство блокировки люка стиральной машины получает на термоэлемент заряд тока. Термоэлемент нагревается моментально, что приводит к разогреву биметаллической пластины, которая становится от этого еще длиннее и расширяется. В таком состоянии она нажимает на фиксатор и он тут же реагирует и происходит блокировка замка стиральной машины. До тех пор, пока пластина не остынет, дверь будет заблокирована.
Когда отключается подача электричества, термоэлемент не получает нагрев и пластинка остывает, что приводит к разблокировке дверцы. При поломке устройства блокировки или симистора, отвечающего за его работу в модуле управления, при постоянном поступлении напряжения на замок, он не сможет открыться, пока машина не обесточится. Если контакт нагревательного элемента нарушится или пробьется, то нагрева вообще не произойдет и тогда люк не сможет закрыться.
Как проверить замок стиральной машины
Для определения работоспособности устройства замка стиральной машины понадобится тестер – мультиметр. Перед проверкой замок снимается. Для этого:
- открыть в стиральной машинке люк;
- обнаружить проволочное кольцо;
- извлечь кольцо отверткой;
- подстроить манжету так, чтобы можно было достать замок;
- выкрутить болты, которые прикреплен замок и вытащить его.
После снятия изучается тщательно его схема. Это делается для того, чтобы иметь представление какой контакт за что отвечает.
Необходимо выяснить где фаза, где нейтральный, а где общий контакт.
Устройство с биметаллической пластиной производят многие фирмы и расположение контактов часто отличается. Без изучения схемы воспользоваться мультиметром и произвести проверку очень сложно.
Будем считать, что с контактами разобрались. Приступаем к проверке.
- Тумблер устройства переключается в режим проверки.
- На нейтральный контакт прицепляется один щуп, на фазовый – другой.
- Если тестер показал трехзначную цифру, значит все хорошо.
- Теперь устанавливаются щупы на нейтральный и общий контакты.
- Если на приборе 0 или 1 – блокиратор явно неисправен.
В том случае, если проверка не нашла поломки, но при этом проблема явно есть, то возможно причина не в электрике, а в механике.
Если проблема в механике, тогда дверь стиральной машинки может оставаться заблокированной много часов после обесточивания. Когда на дисплее высвечивается код ошибки проблем с устройством блокировки люка при стирке, проблема налицо. Также если стиральная машина не хочет блокировать люк, либо сломался сам замок, либо модуль управления. Выяснить это можно с помощью мультиметра или заменив устройство на новое.
Проверить более определенно и детально можно в сервисном центре. К сожалению, в домашних условиях на этом проверка и ремонт замка стиральной машины заканчивается.
- mvideo.ru/- магазин бытовой техники, большой каталог стиральных машин
- holodilnik.ru – Недорогой магазин бытовой техники.
- techport.ru — выгодный современный интернет магазин бытовой техники
- citilink.ru — современный интернет магазин бытовой техники и электроники, дешевле офлайн магазинов!
- ru.aliexpress.com— запчасти для стиральных машин
Как отремонтировать самостоятельно?
Ремонт модуля управления начинается с разбора стиральной машинки и извлечения детали. Затем необходимо определить причину поломки и устранить ее.
Разбор бытового прибора
Прежде чем приступить к ремонту модуля управления стиральной машины LG, до него необходимо добраться. Для этого придется разобрать прибор. Блок управления находится за передней панелью.
Порядок действий:
- Отключить прибор от сети, перекрыть кран подачи воды.
- Открутить болты, удерживающие верхнюю крышку. Они расположены на задней стенке.
- Выдвинуть крышку на себя и снять ее.
- Извлечь лоток для стирального порошка. Чтобы сделать это, нужно нажать на значок с изображением пальца.
Он находится у самого основания крышки отсека для кондиционера. Удерживая эту кнопку, удастся без проблем извлечь порошкоприемник.
- Скрутить шурупы, которые будут видны после снятия лотка и верхней крышки.
После этого можно приступать к снятию панели управления. Как разобрать машинку, читайте здесь, как вытащить порошкоприемник — тут.
Снятие и диагностика детали
Чтобы снять панель управления стиральной машины LG, нужно выполнить следующие действия:
- поддеть панель управления отверткой и открыть пластиковые защелки;
- вытянуть деталь из пазов;
- отсоединить фишки с проводами;
- достать модуль.
Прежде чем отключить провода, нужно сфотографировать плату управления. Это поможет правильно подсоединить их после ремонта.
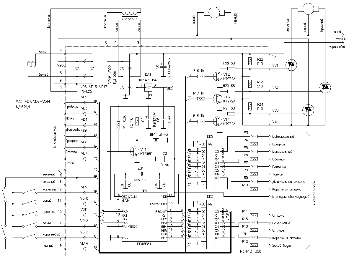
Без специальных приборов проверить работоспособность модуля управления невозможно. Удастся лишь визуально оценить его состояние. На модуле могут быть обнаружены окислы, подгоревшие участки или механические повреждения. Обязательно проверяют целостность проводов.
Элементы модуля управления, которые могут выйти из строя:
- диоды;
- конденсаторы;
- реле;
- резисторы и другие мелкие компоненты.
Чтобы определить работоспособность деталей, их прозванивают мультиметром.
Ремонт
Так как в процессе работы стиральная машинка вибрирует, какие-то элементы могут просто отпаяться. Если такие детали будут обнаружены, необходимо восстановить их соединение с платой. Для устранения дефектов потребуется паяльник, флюс, припой.
Ремонт элементов платы управления:
- Конденсатор. Он отвечает за стабилизацию напряжения. При поломке деталь часто вздувается.
Если при прозвоне мультиметр выдает цифру 1 – произошло короткое замыкание, 0 – обрыв. Конденсатор нужно заменить.
- Резисторы первого порядка должны иметь напряжение 8 Ом, до 2А, резисторы второго порядка 10 Ом, до 5 А. Если данные не совпадают, элементы меняют.
- Тиристорный блок. Напряжение диодов 1 порядка не должно быть выше 20 вольт. Также необходимо проверить на выгорание входные контакты, прозвонив их. Напряжение не должно быть более 12 вольт. Если обнаружена поломка, деталь перепаивают.
- Триггер. Чаще всего для устранения неисправности потребуется перепаять его входные контакты.
Иногда все элементы модуля управления исправны, но плата работает с нарушениями. В этом случае справиться с проблемой можно путем ее перепрошивки. Для этого понадобится программатор, которые соединяет контроллер с компьютером. Стоит он около 4000 рублей.
Также потребуется программа и драйвера. Их можно найти на официальном сайте LG. Соединив плату с компьютером, выбирают нужный файл и устанавливают его. Ремонт платы управления стиральной машины LG обсуждается на форуме.
Ремонт модуля управления — в видео:
Замена
Если плата управления не подлежит ремонту, ее придется заменить. Для этого нужно приобрести новую деталь. Прежде чем совершить покупку, следует уточнить модель стиральной машины. Если выбрать неподходящую деталь, техника работать не будет.
Плата управления стоит от 4500 рублей и выше. Сделать заказ можно в Интернете. Не следует покупать деталь из б/у стиральных машинок, так как гарантия ее бесперебойной работы отсутствует.
Проверка
Проверить работоспособность отремонтированной или замененной платы можно только после подключения стиральной машины. Для этого нужно запустить ее в работу без белья. Если все программы выполняются четко, прибор не зависает и не требует перезагрузки, ремонт прошел успешно.
Электронные модули стиральных машин BEKO
Микросхема в рассматриваемом ИИП включена по схеме ключевого понижающего преобразователя часта переключения составляет 60 кГц. К примеру, ремонт стиральной машины Индезит своими руками может сводиться к протирке модуля и тщательному высушиванию платы.
Сначала отключите стиралку от сети, затем поступите так: Вытащите лоток-дозатор для моющих средств.
Если сопротивление было нарушено, то следует перепаять резисторы.
Можем скооперироваться. Сервисные центры всеми силами стараются признать такой случай поломки не гарантийным. Обращаться с техникой максимально аккуратно. Для оценки работы триггера нужно замерить уровень напряжения на его выходных контактах.
Модуль формирования команд Используется для приема команд узлов, которые задают режим работы стиралки таймер, дополнительные функциональные кнопки , преобразование и передачу сигналов на входы микроконтроллера U1. В заключении Далеко не каждая хозяйка имеет желание изучать электрическую схему стиральной машины. Если резко оборвать провод, может произойти скачок напряжения, что повлияет на работу модуля. Машинка перейдет в режим самодиагностики.
Ибо в статье написано «продолжение следует Однако принцип подключения к сети мало чем отличается, как и модели других марок, техника Самсунг не защищена от скачков напряжения, несмотря на то, что в комплектации присутствует конденсатор.
Нужно, в зависимости от модели, снять переднюю панель или добраться до места установки, демонтировав верхнюю часть машинки. За обозначенный период белье, находящееся в баке, пропитывается водой. Некоторые современные модели имеют режим самотестирования, который позволяет определить, какой именно ремонт электронных модулей стиральных машин требуется. В свою очередь, на общей шине объединены плюсы каналов 5 и 24 В ИИП. Придется тестировать параметры элементов, проверять целостность цепей.
К примеру: Сбой датчиков установки программы. К другим причинам относится избыточный нагар, наличие токопроводящих испражнений домашних вредителей тараканов, мышей , а также замыкания через тело насекомых или грызунов.
Принцип работы стиральной машины






























