Особенности электроподключения посудомойки
Как предусмотрено производителем, установка и подключение агрегата к электропитанию должны осуществляться только посредством розетки европейского типа, с качественным заземлением.
На первый взгляд, установка и подключение аппарата к электросети через тройник довольно просты. Но это только для тех людей, которые не знают о существовании основного правила, точнее, их несколько.
Видео:
Мощность электроэлементов посудомоечной машины, к которым относится водяной насос и двигатель, нуждается в качественном токопроводящем кабеле.
Не рекомендуется использование удлинителей, а также совместное подключение агрегата с электроприборами, у которых высокая мощность, по этой причине может расплавиться тройник, проводка, розетка или другие подобные устройства.
Очень важно, чтобы была выполнена установка системы заземления, позволяющей безопасно эксплуатировать электроприбор
Инструкция по подключению к водопроводу
Как правило, к крану-смесителю, расположенному в мойке, идут гибкие шланги от труб с горячей и холодной водой. Вот почему наиболее удобный способ подсоединения ПММ расположен в том месте, где к водопроводной магистрали подключен такой шланг. В противном случае придется делать врезку в трубу при помощи тройника или коллектора с двумя отводами и кранами. При подключении в месте соединения гибкого шланга с водопроводом тройник с запорным краном нужно установить под мойкой.
Подключение тройника в месте соединения гибкого шланга с водопроводной магистралью, выведенной из стены
Запорный кран в тройнике необходим для того, чтобы можно было быстро прекратить подачу воды в случае аварийной ситуации. Поскольку большинство моделей ПММ нуждаются только в холодной воде, потребуется один тройник.
Для работы следует подготовить следующие инструменты и материалы:
- тройник с встроенным краном, изготовленный из латуни или бронзы, с диаметром резьбы 3/4 дюйма (такой диаметр подходит в большинстве случаев);
- входной фильтр грубой очистки (если такой отсутствует в комплекте посудомойки);
- фторопластовая уплотнительная лента (ФУМ-лента);
- разводные ключи;
- острый нож.
Разветвитель на 2 выхода с диаметром резьбы 3/4 дюйма
Если на кухне уже есть стиральная машина или планируется ее установка, тройник следует заменить коллектором на два выхода с таким же диаметром (3/4 дюйма) и двумя запорными кранами (см. фото выше). Кроме того, некоторые модели ПММ комплектуются слишком короткими заливными шлангами, чуть больше метра длиной. Если такой длины не хватает, придется купить новый шланг в специализированном магазине.
Заливной шланг ПММ вместе с вмонтированной системой «Аквастоп»
Чтобы правильно подключить посудомоечную машину своими руками к водопроводу, работу следует выполнить пошагово, в несколько этапов:
- Перекройте подачу воды в квартиру.
- Отсоедините гибкий шланг, подводящий холодную воду к смесителю, от трубы водопровода.
- Соедините водопроводную трубу с входным отверстием тройника или разветвителя, намотав предварительно на резьбу ФУМ-ленту.
- Выходное отверстие тройника или коллектора соедините с гибким шлангом, идущим к смесителю. Не забудьте использовать ФУМ-ленту.
- К одному из боковых отводов подсоедините фильтр и впускной шланг посудомоечной машины.
- Если есть стиральная машина, ее впускной шланг подключите к второму отводу разветвителя.
- Проверьте герметичность всех соединений, подав воду в магистраль.
На этом подключение посудомойки к воде завершено.
Бывает так, что при установке посудомоечной машины приходится переделывать крепление и подвод коммуникаций
Иногда ситуация не позволяет выполнить установку ПММ возле раковины. В этом случае приходится врезаться в водопроводную трубу. Если она изготовлена из металлопластика, сложностей не возникнет. Необходимо вырезать кусок трубы и на его место установить тройник или коллектор с пресс-фитингами, обеспечивающими надежное соединение.
Цанговое соединение труб из металлопластика при помощи обжимных пресс-фитингов
Металлическую трубу можно не резать – достаточно надеть сверху хомут с отводом и просверлить отверстие в трубе через отвод. Данное соединение тоже является надежным.
Хомуты-тройники для металлических труб, с прикрепленными запорными кранами
Подключение слива
К системе канализации машину подключают двумя методами.
Первый способ организации слива
Если есть возможность установки посудомоечной машины поблизости с кухонной раковиной, отвод можно присоединить к сифону.
Вредные советы: как НЕ надо размещать кухонную технику
Тут потребуется его переустановка. Сифон меняется на аналогичный, но с дополнительными сливными патрубками (1 или 2 ввода).
Второй способ
Хорошее решение – организация отвода напрямую в канализационную отводную трубу. Необходимо помнить, что слив должен размещаться на определенной высоте от уровня расположения самой посудомойки – обычно это не ниже 40-50 см. Так в систему не будет подсасываться грязная канализационная вода.
Если в помещении общий уровень канализации расположен ниже 40 см, на входе выпускной шланг следует изогнуть как обратную букву U. Однако, чтобы не мудрить с изгибами советую взять клапан-антисифон. Он сразу исполнен в виде петли и решает все проблемы корректного размещения.
Наконец, можно применить еще одно занятное технологическое решение. Есть производители, комплектующие свои машины специальными «антисифонными» клапанами. Они создают необходимый воздушный разрыв, что исключит негативные моменты со стороны канализации. Довольно интересно их конструктивное исполнение. Клапан врезают в заднюю панель кухонной мойки либо в столешницу кухонной раковины.
Подбор мебели для встраиваемой кухонной техники
Место выбирают так, чтобы он не мешал в быту, а сверху ставят декоративный колпак.
При подключении к отводной канализации отводов от стиральной и посудомоечной машин на двух сливах ставят обратные клапаны.
Подводные камни
При подключении машины к канализации надо учитывать один интересный момент. Если подвести дренажный шланг в трубу и применить уплотнение, соединение станет практически герметичным. В данной ситуации это скорее минус, чем плюс. Дело в том, что давление в канализационных трубах должно выравниваться с атмосферным. Так не возникает участков разряжения.
В обратном случае излишняя герметичность может привести к «сифонному эффекту». По сути, это массовый сброс воды на одном из участков, вызывающий самопроизвольный ток на других – смежных с ним. Так труба начинает всасывать воду из посудомойки, что приводит к появлению программных ошибок, разбалансировке автоматики, выходу из строя. Не исключен и другой вариант – попадание стоков обратно в машину.
С другой стороны, недостаточная герметизация ведет к протечкам, распространению неприятных запахов
Важно учесть этот баланс, чтобы избежать лишней головной боли
Заземление
В частных домах не рекомендуем покупать в дом незаземленные приборы. Несложно выйти во двор и сделать заземление для посудомоечной машины и прочего оборудования собственноручно. Понадобится россыпь металлических уголков и полосы (к примеру, 40х4 мм). Без сварочного аппараа нарезаем уголки (к примеру, 40 – 45 мм с равными полками) болгаркой или трудолюбивыми руками на четыре куска длиной 2 метра. Допустимо чуть длиннее или короче. Главное, чтобы попарно равны куски.
Берем дрель, сверлим отверстия под болты для сбора прямоугольного контура заземления. Неприятное оставили на потом. Теперь, когда подключение посудомоечной машины Сименс уже наполовину сделано, легче взяться за лопату. Не забудьте, что стальную ленту нужно одним концом посадить на контур при помощи болта. Помогут сверло по металлу и терпение. Теперь роем яму. К примеру, сделать у стены дома на расстоянии 1 – 1,5 метра либо чуть дальше. Неприятное в том, что траншея выкопана по форме контура заземления. В идеале глубина составит 2 – 2,5 метра, считаем, что хватит 1,5 метра.

Контур укладывается внутрь. По-хорошему нужно покрыть антикоррозийным грунтом или специальной краской. Для отвода вод на дно ямы насыпаются песок (утрамбовать) и гравий (допустимо не трамбовать). Верхней частью контур должен плотно прилегать к земле, чтобы отводить лишний ток. Дренаж возможно не делать, при желании года через 4 повторить операцию с нуля. Полосу заземления выводим в помещение, предварительно проверив сопротивление относительно земли. Это в идеале доли Ома, на практике доходит до 3 – 5 Ом (плохо). Полученная шина позволит произвести подключение посудомоечной машины и домашнего оборудования.
Параметры заземления просчитаем, тут просто привели полупромышленную схему, годную для дома. Не страшно подключить и посудомоечную машину. Воспользуйтесь и программными продуктами для расчетов.

Основные правила монтажа посудомойки Бош
Никаких особых секретов подключения нет – необходимо обеспечить подачу воды и слив.
Общий порядок установки такой:
- внешний осмотр, проверка комплектующих;
- подготовка места установки, вывода шлангов;
- если машинка встраиваемая, то надо прикрутить фасад и металлическую пластину для теплоизоляции (она идет в комплекте);
- к машинам Бош прилагается резиновый фартук, который прикручивают внизу. Он закрывается фасадом, обеспечивает дополнительную шумоизоляцию;
- подключение к канализации;
- подключение к водопроводу;
- регулировка ножек;
- включение в розетку и проверка работы. Обязательно надо осмотреть соединения. Не должно быть протечек.
Видео
Посмотрев видеосюжет, вы можете подробнее узнать, как самостоятельно подключить посудомойку:
Об авторе:
Инженер-электронщик с многолетним опытом работы. Несколько лет занимался организацией ремонта бытовой техники, в том числе стиральных машин. Обожает спортивную рыбалку, водный туризм и путешествия.
Нашли ошибку? Выделите её и нажмите кнопки:
Ctrl + Enter
Интересно!
Первая официально запатентованная стиральная машина была изготовлена из дерева и представляла собой ящик с рамой, наполненный до половины деревянными шариками. Внутрь загружали белье для стирки, моющее средство и при помощи рычага передвигали раму, которая, в свою очередь, заставляла двигаться шарики и перетирать белье.
Подключение к электропроводке
Этот этап наиболее простой, если у вас все подготовлено для включения, то достаточно вставить штепсельную вилку в розетку. Никакая специальная схема подключения при установке машинки для мытья посуды не требуется. Но должны быть выполнены определенные условия.
Электропроводка должна быть рассчитана под мощность ПММ, желательно машинку вообще питать по отдельной линии, которая подключена к УЗО в электрощите. Розетки для подключения ПММ должны быть влагозащищенными (IP44) с подведенным заземлением. Заметим, что по правилам эксплуатации таких устройств использовать их, не подключив к защитному заземлению, запрещается.
Видео по теме:
Нельзя подключаться для заземления к трубам инженерных коммуникаций, это гарантировано приведет к поломке устройства и может угрожать вашей жизни.
Если вы не уверены, что все условия выполнили, то лучше проконсультироваться по этому вопросу у профессионалов.
Установка посудомоечной машины Bosch
Установку быстро и качественно выполнят мастера, однако ее можно провести и своими руками, пользуясь инструкцией по эксплуатации
Необходимым условием установки является выравнивание прибора по уровню при помощи регулируемых ножек, чтобы машина не качалась — это очень важно при дальнейшей ее работы

— подключение к сети — рядом с устройством, в легкодоступном месте, должна располагаться розетка, чтобы при необходимости устройство можно было быстро отключить от питания.
— подключение к сливу — нужно качественно прогерметизировать все стыки, шланг проложить таким образом, чтобы он не заламывался и не перегибался.
-подключение к подаче воды — шланг подводится к крану подачи холодной воды, очень важно, чтобы он не был сдавлен или деформирован.
Видео
В видеосюжете рассказано, как подключить посудомоечную машину Bosch SMV45IX00R своими руками: Об авторе:
Егор Тараненко Инженер-электронщик с многолетним опытом работы. Несколько лет занимался организацией ремонта бытовой техники. Рад поделиться с читателями своими знаниями в области эксплуатации и ремонта приборов. Обожает спортивную рыбалку, водный туризм и путешествия.
Нашли ошибку? Выделите текст мышкой и нажмите:
Знаете ли вы, что: Привычка «экономно» пользоваться стиральной машиной-автомат может привести к появлению в ней неприятного запаха. Стирки при температурах ниже 60 ℃ и короткие полоскания позволяют грибкам и бактериям с грязной одежды оставаться на внутренних поверхностях и активно размножаться.
Нити из золота и серебра, которыми в старину вышивали одежду, называются канителью. Для их получения металлическую проволоку долго тянули клещами до состояния необходимой тонкости. Отсюда и пошло выражение «тянуть (разводить) канитель» – «заниматься долгой однообразной работой» или «затягивать выполнение дела».
Удалить накипь и нагар с подошвы утюга проще всего поваренной солью. Насыпьте на бумагу толстый слой соли, нагрейте утюг до максимума и несколько раз, слегка придавливая, проведите утюгом по солевой подстилке.
Для борьбы с молью существуют специальные ловушки. В липкий слой, которым они покрыты, добавлены феромоны самок, привлекающие самцов. Прилипая к ловушке, они выбывают из процесса размножения, что ведет к уменьшению популяции моли.
Если на любимых вещах появились первые признаки вынашивания в виде неопрятных катышков, от них можно избавиться при помощи специальной машинки – шейвера. Он быстро и эффективно сбривает сбившиеся в комки волокна ткани и возвращает вещам достойный вид.
В посудомоечной машине хорошо отмываются не только тарелки и чашки. В нее можно загрузить пластмассовые игрушки, стеклянные плафоны светильников и даже грязные овощи, например картошку, но только без применения моющих средств.
Перед тем как выводить различные пятна с одежды, нужно выяснить, насколько безопасен выбранный растворитель для самой ткани. Его наносят в небольшом количестве на малозаметный участок вещи со стороны изнанки на 5-10 минут. Если материал сохраняет свою структуру и цвет, можно переходить к пятнам.
Натяжные потолки из ПВХ-пленки способны выдерживать от 70 до 120 л воды на 1 м2 своей площади (в зависимости от размеров потолка, степени его натяжения и качества пленки). Так что можно не опасаться протечек от соседей сверху.
Свежий лимон подходит не только для чая: очистите загрязнения с поверхности акриловой ванны, потерев половинкой разрезанного цитруса, или быстро вымойте микроволновку, поставив в нее емкость с водой и дольками лимона на 8-10 минут при максимальной мощности. Размягченную грязь останется просто вытереть губкой.
Устройство и принципы работы
Продолжаем наш разговор про ремонт Bosch. На просторах интернета очень мало написано информации об этом.
— модуль плата управления всеми процессами мойки — шланги забора и слива воды — впускной клапан — нагнетающий насос мойки — распылители воды (коромысла) — проточный нагревательный элемент(ТЭН) — различные датчики (уровня воды, загрязненности, расхода воды) — сливная помпа
Так вот в устройстве работы схемы посудомоечной машины Bosch реализовано все на высоком уровне.Различные технологии и инновации защищают от перепадов напряжения, экономят электроэнергию и воду. Несомненно это придает некоторые сложности при ремонте узлов.
Зная особенности устройств — залог успеха в поиске неисправности.
1.Защита в системе забора воды — аквастоп:
Находится на конце наливного шланга и прикручивается гайкой на 3/4 дюйма к трубе или крану. Система аквастопа не хитрая:

Клапан состоит из двух последовательных электромагнитных клапанов (А), наполнителя и предохранительных клапанов. Эти клапаны приводятся в действие параллельно. На входе воды два фильтра на винтовое соединение для крана. Под фильтрами — ограничитель расхода. Функции Безопасности может быть активировано через датчик или через поплавок поддона.
2.Датчик расхода воды:
Интегрирован в систему водоснабжения и регистрирует объем поступающей воды.

3.Датчик температуры воды:
Используемые температуры, реле безопасности (>85 C) в сочетании с NTC-датчик. Если возникает неисправность, нагреватель выключается на нагрев воды при температуре 85 C (работает в режиме коммутации).
4.Система смягчения воды и регенерации:

5.Устройство диспенсора (дозатора):
Открыванию крышки дозатора и вброса моющего средства или таблетки способствует оптический датчик. Он состоит из передатчика и диод приемник.

Далее приводится в действие механизм открывания крышки дозатора.
6.Датчик уровня воды с функцией защиты:

Дренажный насос включается через предохранительный датчик уровня (A). Слив воды продолжается до тех пор, пока датчик уровня (A) переключается в первоначальное положение. В случае любой утечки шланга подачи воды поступают на плату через утечки воды из шланга. При срабатывании механизма переполнения процессор дает команду на слив воды.
7.Устройство разбрызгивания воды в моечной камере:

Нагнетание давления насосом и разбрызгивание показано на рисунке.
8.модель SGS (для увеличения нажмите):


Источник статьи: http://usluga-spb.ru/kod/shema-posudomoechnoj-mashiny-bosch.html
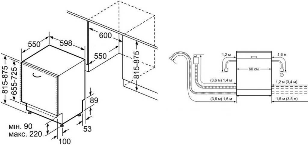
Где поставить «посудомойку» и как подготовить установку?
Прежде чем приступить к подключению посудомоечной машины марки Bosch самостоятельно, необходимо четко определиться с местом ее установки
Важно помнить о том, что посудомоечная машина – это не просто предмет домашнего обихода, как мягкая или корпусная мебель, которую в любой момент можно переставить. Ее местоположение связано с местоположением электрических и водных коммуникаций, поэтому вы должны рассчитывать на то, что выбор места будет окончательным
Специалисты считают идеальным местом для посудомоечной машины – в кухне справа или слева от мойки. Почему?
- Не потребуются специальные длинные шланги (заливной и сливной), можно обойтись обычными штатными.
- Удобнее подключать к стоку, а значит, и нечистоты будут уходить беспрепятственно.
- Можно быстро переложить грязную посуду из раковины в посудомойку, ведь корзины для тарелок и чашек будут находиться на расстоянии вытянутой руки.
В этом смысле проще покупать встраиваемую технику от Bosch, не нужно задумываться, куда ее поставить, ведь в кухонном гарнитуре уже подготовлена соответствующая ниша по размеру «посудомойки». Кроме места установки, посудомоечной машины, нужно определиться еще и с тем, как вы ее будете подключать, причем сделать это нужно заранее.

Особое внимание обратите на электрические коммуникации. Многие почему-то думают, что достаточно поставить надежную евророзетку, с защищенным от влаги корпусом и можно спокойно подключать посудомоечную или стиральную машину – все безопасно
На самом деле все не так просто, ведь подобное подключение будет напоминать лотерею, где шансы, что ваша новая техника сгорит, будут весьма велики.
Профессиональные электрики настаивают на том, чтобы такие бытовые приборы как посудомоечную и стиральную машину питала отдельная заземленная сеть с дифавтоматом и стабилизатором. Это отнюдь не прихоть. Качество энергоснабжения в России и странах СНГ оставляет желать лучшего. Постоянные перепады и скачки напряжения то и дело становятся причиной поломки различных бытовых приборов
А если учесть, что вся техника марки Bosch довольно требовательна к качеству электроснабжения, нужно принять все возможные меры предосторожности
Самостоятельно заниматься прокладкой отдельной электрической сети категорически не рекомендуется. В сети много можно найти видео, где мастера рассказывают насколько легко самостоятельно проложить проводку, только они почему-то не заботятся о возможных последствиях поражения электрическим током. На видео все выглядит легко, а на практике, как правило, иначе. Не рискуйте, доверьте это дело профессионалам. Вот примерный перечень работ, которые они должны будут сделать:
- выштробить стену для прокладки электрических проводов (это можно сделать и самостоятельно);
- подобрать провод нужного сечения и материала и проложить его;
- подобрать и установить дифавтомат;
- организовать заземление;
- установить влагостойкую розетку;
- подключить стабилизатор (можно сделать самостоятельно).
С электрическими коммуникациями определились, теперь переходим к водным. Нужно сразу организовать выводы для подключения посудомоечной машины Bosch к трубе с холодной или горячей водой, а также поставить на раковину сифон с двумя отводами, один для стиральной машины (если таковая установлена на кухне), а второй для «посудомойки». В общем-то, на этом подготовку коммуникаций можно закончить. Начинаем готовиться к монтажу посудомоечной машины.
Какие инструменты и материалы понадобятся?
Перед началом монтажных работ необходимо запастись некоторыми инструментами и материалами. Ничего особенного вам не потребуется, все, что нужно найдется либо в кладовой, либо в ближайшем магазине торгующим сантехникой. Вот список.
- Плоская и крестовая отвертка.
- Фумка (лента для гидроизоляции).
- Плоскогубцы и небольшой разводной ключ.
- Сифон (если уже стоит подходящий со штуцером, то не нужно).
- Пластиковый или бронзовый тройник (резьба должна быть 3/4).
- Проточный фильтр (имеет мелкую сеточку, не пропускающую мусор в посудомоечную машину Бош).
- Краник, который устанавливается на заливной шланг (нужен на случай протечки, чтобы не перекрывать весь стояк, а перекрыть только подвод к посудомоечной машине)
- Сливной и заливной шланги (если длины шлангов входящих в комплект посудомоечной машины хватает, то не нужно).







![[инструкция] монтаж и подключение посудомоечной машины своими руками: к водопроводу, канализации и электричеству | фото & видео](http://mirtepla-uu.ru/wp-content/uploads/6/2/4/6245c9935add3b7b2e23fe0408d923e8.jpeg)


![[инструкция] подключение посудомоечной машины своими руками](http://mirtepla-uu.ru/wp-content/uploads/f/0/8/f08d1845b6791c32664d5fc74b9751a9.jpeg)



















