Коды неисправностей стиральных машинок «Беко»
Что делать, если система выдает ошибку? Исключить системный сбой. Если на плату попала влага или случились перебои в сети, электроника может давать неверную информацию. Поэтому выполните сброс ошибок:
- Отключите технику от сети.
- Подождите 10–15 минут.
- Возобновите работу.
Взгляните на дисплей: символы снова высветились на экране? Значит, дело не в сбое, а во внутренней неполадке. Изучите расшифровку ошибок и приступайте к устранению поломки.
| Код неполадки | Свечение индикаторов на панели | Что означает? | Как устранить? |
| Н1 | Возникли проблемы с термодатчиком | Вода в баке может перегреваться или, наоборот, не достигать заданного значения. Проведите диагностику датчика:
|
|
| На табло горит Н2 | Трубчатый электронагреватель (ТЭН) не работает |
Стирка проходит в холодной воде, а белье остается грязным. Решение проблемы:
|
|
| Н3 | ТЭН работает без остановки, вода перегревается | Как исправить ситуацию:
|
|
| Н4 | Неисправность управляющего симистора заливного клапана | Осмотрите цепь соединения и контакты. При обнаружении подгоревших деталей замените шлейф. Если на плате обнаружены подгары — установите новую деталь либо обратитесь в сервисный центр | |
| Н5 | Сломался сливной насос | Как устранить неполадку:
|
|
| Н6 | Проблемы с управлением двигателя | Если машинка показывает на дисплее ошибку Н6, нужно убедиться:
Неисправные узлы следует заменить |
|
| Н7 | Сенсор давления (прессостат) вышел из строя | Чтобы снять ошибку, нужно устранить ее причину:
|
|
| Н11 | Нарушилась связь с мотором | Проверьте цепь соединения двигателя, платы, таходатчика. |
Как предупредить поломку стиральной машины (СМ) Beko:
- Раз в полгода прочищайте сливной и заливной фильтр от мусора.
- Подключайте СМ к сети через стабилизатор. Он защитит электронику от сгорания во время скачка напряжения.
- Устанавливайте очистной фильтр. Устройство снижает содержание солей в воде, поэтому ТЭН прослужит гораздо дольше.
Как видно из кодов ошибок, самое чувствительное место у стиралок «Беко» — это электроника. Желательно устанавливать прибор в сухом помещении, чтобы избежать воздействия влаги на управляющую плату.
Плохо 1
Интересно
Супер
Какие особенности ремонта?
Модели от «Беко» имеют конструктивные преимущества, которые особенно полезны при замене подшипников:
- Аппарат гораздо легче разбирать, чем большинство аналогов от других брендов.
- Обычно для замены подшипника даже не приходится доставать бак.
- Достаточно снять переднюю часть бака, чтобы извлечь барабан. Задняя часть остается на своем месте.
- Извлекать бак целиком приходится при разрушении подшипника — когда необходимо доставать его остатки.
Какие еще особенности разборки:
Для получения доступа к передней части бака снимают переднюю панель. Далее откручивают нижний противовес. Отсоединяют все трубки и проводки.
Совет. Прежде чем отсоединять провода, зафиксируйте исходное положение на фото — это поможет вам в дальнейшем, когда будете собирать аппарат.
Переднюю часть бака держат 12 зажимов — все их нужно демонтировать, чтобы достать ее. Теперь осталось убрать заднюю панель, демонтировать шкив, надетый на полуось барабана, а затем вынуть и сам барабан. Учтите, что посадка подшипников на полуоси выполнена с натягом, поэтому ее нужно выбить, аккуратно нанося удары обрезиненным молотком.
Винтовое соединение, удерживающее шкив на валу барабана, снимать запрещается.

Как понять, что именно сломалось в стиральной машине
Сперва нужно определить причину неисправности, а потом принимать меры. Новичок в области ремонта бытовой техники может определить поломку по следующим признакам:
- Перестала нагреваться вода, поэтому вещи стираются в холодной — вероятно проблема в ТЭНе.
- Стиральный бак слишком долго набирает воду или вовсе не набирает. Возможно проблема с насосом или шлангами.
- Дверца не закрывается до щелчка, не давая начать процесс стирки. О проблемах с дверцей смотрите здесь
- Не сливается вода после завершения стирки, при чем машинка в этот момент может очень гудеть. Возможно проблема с прессостатом.
- Барабан при стирке может издавать странные звуки: стук, скрежет. В барабан возможно попал посторонний предмет.
- Не получается запустить программу для стирки. После включения машинка странным образом мигает всеми индикаторами. Иногда программу все же получается выбрать, но стирка все равно не запускается. Возможно сломан двигатель, модуль управления.
- После нажатия кнопки включения, техника не запускается, хоть и включена в розетку. Вероятно проблема в модуле управления, убл, питании машинки.
- Иногда на устройстве для стирки может появиться ошибка на дисплее, и она не будет выполнять свои функции. Коды ошибок лучше смотреть в инструкции соответствующей модели.
Внимание! Варианты неисправностей бывают самыми разнообразными. Из строя могут выходить одновременно несколько комплектующих
Выше приведены примеры самых популярных случаев.
В случае неисправности стиральной машины beko при нагрузке в 5-6 кг, следует как можно быстрее остановить программу стирки, или выдернуть ее из розетки. После нужно убрать лишний вес из барабана и выяснить истинную причину случившегося.
Особенности типичных поломок стиральных машин Беко
Как было сказано ранее, все неисправности сопровождаются определенными признаками – от мелких сбоев в работе до полного отказа. Проблема домашнего мастера всегда заключается в одном – как же связать имеющиеся признаки поломки с ее причинами. Здесь вам как раз нужны знания и советы специалистов узкого профиля.
Далее мы кратко изложим информацию об основных поломках.
Проблемный слив отработанной воды в машинах Беко
Если вы знаете, как пользоваться стиральной машиной Beko, то в курсе, что отработанная после стирки вода не бывает прозрачной и чистой – такова специфика стирки. Чтобы грязь, нитки, волосы и прочее не засоряли насос, на пути к нему стоит специальный сливной фильтр, который в основном и страдает от засоров.
Ваша задача – отыскать этот фильтр, который обычно находится внизу стиралки, под небольшим люком или за панелью. Как действовать далее:
- Прежде чем извлекать фильтр, не забудьте подставить тазик или постелить тряпку под машину, потому что из отверстия обязательно хлынут остатки отработанной воды.
- Чтобы достать фильтр, просто поверните его вправо.
- Далее прочистите фильтр вручную и промойте под краном.
- Вооружившись отверткой, можете заодно прочистить и патрубок – он обычно тоже засоряется мусором из отработанной воды.
- Раз под руками у вас оказались инструменты, не спешите откладывать их подальше – для профилактики почистите и фильтр, который стоит на подаче воды (он находится в месте крепления шланга к задней панели). Песок и ржавчина из водопровода медленно собираются в этом фильтре и в итоге мешают нормальному заливу воды в барабан.
- Почистив заливной фильтр, не спешите ставить его на место – проверьте еще и сливной насос. Часто стиралки Беко при самодиагностике находят поломку помпы и сигнализируют об этом при помощи кода неисправности H5. Но при некоторых поломках контроллер может не видеть мелких нарушений – таких как разболтавшаяся крыльчатка (можно опознать, услышав гул).
- Для проверки помпы запустите режим слива и смотрите в отверстие пробки фильтра, как ведет себя крыльчатка. Если она вращается, то все в порядке, а если нет, то нужна прочистка или даже замена насоса.
Проблема с нагревом воды в машинке Beko
Для устранения такой проблемы также понадобится как минимум частичная разборка стиральной машины Beko, но об этом ниже.
Сначала скажем о том, что в СМ один из самых уязвимых узлов – это термоэлектрический нагреватель, попросту – ТЭН. Присутствующие в воде минеральные соли под воздействием горячей воды кристаллизуются и оседают на нагревателе в виде всем знакомой накипи – как в чайнике. Налет не пропускает тепло, поэтому ТЭН не отдает его воде и перегорает.
Если накипи нет, у вас мягкая вода, или вы пользуетесь специальными средствами, это не значит, что нагреватель не мог сгореть. ТЭН имеет свой ресурс выработки, и, может быть, как раз пришло его время.
Если ТЭН выходит из строя, вы узнаете об этом по ошибкам H2 и H3. Чтобы стопроцентно убедиться в том, что с ним случилось, вначале доберитесь до нагревателя. В одних моделях Beko он находится сзади, в других – спереди.
Итак, как разобрать стиральную машину Беко, найти ТЭН, проверить и заменить его, читайте далее:
- Если ТЭН находится спереди, то, чтобы снять переднюю панель, нужно удалить манжету люка. Чтобы снять ее, действуйте аккуратно – если что-то пойдет не так, то ваша деятельность чревата повреждениями манжеты и протечками.
- ТЭН целиком вы не увидите – только его хвостовик с двумя контактами и проводами, идущим к ним.
- Отсоедините все провода.
- Возьмите тестер и замерьте сопротивление. Обычно нормальными показателями будут отметки в 25-30 Ом. Если показатели другие (например, бесконечность), то поломка налицо.
- Достаньте ТЭН, отвинтив гайку с болта, который удерживает его под барабаном.
- Место установки очистите от мусора и налета.
- Установите новый ТЭН в обратном порядке, подключив на место всю проводку.
На этом видео показано в строгой последовательности, как снять, проверить и заменить ТЭН:
Если ТЭН оказался испавным, то нужно проверить и термодатчик (термистор). Вы найдете его под верхней крышкой. Как достать и проверить датчик:
- Снимите верхнюю крышку, открутив шурупы.
- Демонтаж датчика проводится с извлечением кюветки для моющих средств и панели управления – все это мешает добраться до элемента. Добравшись до датчика, освободите его от проводов.
- Сопротивление, измеряемое тестером, в комнатных условиях должно быть 4,7 кОм.
- Нагрейте датчик в стакане теплой воды – после этого показатели должны упасть. Если этого не произошло – датчик нужно менять.
- Монтаж нового датчика производится так же, как и демонтаж, только действуйте в обратной последовательности.
Типичные неисправности стиралок Беко
Доверив осмотр машины опытному мастеру, можно не сомневаться в том, что он быстро и профессиональной найдет, в чем проблема поломки. Но из-зау высоких цен на услуги многие домашние умельцы стараются сэкономить и сделать ремонт стиральной машины Beko своими руками.
Практически любая модель СМА поддается домашнему ремонту: ELB 57001 M, RKB 58801 MA, LNU 68801 и т.д.
Такой подход вполне оправдан – часто ремонт обходится втридорога, а иногда цена такая, что можно и новую машинку купить. В то же время, даже самая «убитая» машина может прослужить еще несколько лет после ремонта.
Устройство стиральной машины Beko определяет и характер ее поломок. Рассмотрим типичные неисправности стиралок этой марки:
- Вода не нагревается до заданных температур, стирка идет в холодной воде на любой программе. Или наоборот – вода перегревается.
- В бак медленно набирается вода или не заливается совсем.
- Стиральная машина Beko не запускается из-за того, что люк не закрывается достаточно плотно.
- Вода стоит в баке в конце стирки (этому может сопутствовать сильный гул).
- Вращение барабана происходит со скрежетом, грохотом, лязгом и прочими нехарактерными звуками.
- Не запускается ни один режим стирки – на машинке моргают все лампочки. Или же программа срабатывает, индикатор загорается, а машина не стирает.
- Не удается запустить машинку кнопкой включения (при включенном в электросеть сетевом шнуре).
- Модели с электронным табло выдают коды ошибок H1, H2, H3, H4, H5, H6 и H7. Машинка не работает.
Как было сказано ранее, все неисправности сопровождаются определенными признаками – от мелких сбоев в работе до полного отказа. Проблема домашнего мастера всегда заключается в одном – как же связать имеющиеся признаки поломки с ее причинами. Здесь вам как раз нужны знания и советы специалистов узкого профиля.
Если вы знаете, как пользоваться стиральной машиной Beko, то в курсе, что отработанная после стирки вода не бывает прозрачной и чистой – такова специфика стирки. Чтобы грязь, нитки, волосы и прочее не засоряли насос, на пути к нему стоит специальный сливной фильтр, который в основном и страдает от засоров.
Ваша задача – отыскать этот фильтр, который обычно находится внизу стиралки, под небольшим люком или за панелью. Как действовать далее:

- Прежде чем извлекать фильтр, не забудьте подставить тазик или постелить тряпку под машину, потому что из отверстия обязательно хлынут остатки отработанной воды.

Для устранения такой проблемы также понадобится как минимум частичная разборка стиральной машины Beko, но об этом ниже.
Сначала скажем о том, что в СМ один из самых уязвимых узлов – это термоэлектрический нагреватель, попросту – ТЭН. Присутствующие в воде минеральные соли под воздействием горячей воды кристаллизуются и оседают на нагревателе в виде всем знакомой накипи – как в чайнике. Налет не пропускает тепло, поэтому ТЭН не отдает его воде и перегорает.

Если накипи нет, у вас мягкая вода, или вы пользуетесь специальными средствами, это не значит, что нагреватель не мог сгореть. ТЭН имеет свой ресурс выработки, и, может быть, как раз пришло его время.
Если ТЭН выходит из строя, вы узнаете об этом по ошибкам H2 и H3. Чтобы стопроцентно убедиться в том, что с ним случилось, вначале доберитесь до нагревателя. В одних моделях Beko он находится сзади, в других – спереди.
Итак, как разобрать стиральную машину Беко, найти ТЭН, проверить и заменить его, читайте далее:

На этом видео показано в строгой последовательности, как снять, проверить и заменить ТЭН:
Если ТЭН оказался испавным, то нужно проверить и термодатчик (термистор).
Вы найдете его под верхней крышкой. Как достать и проверить датчик:

Если у вас есть познания и опыт ремонта электрических приборов, то обрывы в контактах или их окисление вы устраните быстро. Вам понадобится лишь схема стиральной машины Беко – вы найдете ее в мануале или на сайте производителя, указав модель своей СМ.

Что касается электроники, то здесь все неоднозначно.
Учитывая, что электронный модуль может стоить как треть вашей стиралки, заниматься самодеятельностью не выгодно. Особенно, если плате требовался мелкий ремонт, который любой мастер выполнит за небольшие деньги. Если же вы «приговорите» модуль, то придется покупать новый, и невинная поломка закончится сложным и дорогим ремонтом.

Помните о том, что не имеет значения, на какие характеристики рассчитана ваша машинка – ломаются они абсолютно одинаково. Если вам досталась стиральная машина Beko на 5 кг, неисправности будут такими же как в аналогичной модели на 3 кг. Чтобы стиральная машина-автомат Beko не ломалась, советуем использовать инструкцию по эксплуатации и следовать предписанным там правилам.
Проверка и замена ТЭНа
Проблема решаема, но понадобится частично разобрать аппарат. ТЭН — термоэлектрический нагреватель, среди лидеров в списке часто ломающихся элементов. Из-за плохого качества воды на поверхности нагревателя оседают осадки солей — накипь. Когда ее становится слишком много, ТЭН плохо работает, а затем и вовсе выходит из строя. Слой накипи препятствует нормальной отдаче тепла. Нагреватель, лишенный возможности отдать вырабатываемое тепло воде, попросту сгорает — его приходится заменять.

Коды ошибок о поломке ТЭНа
Но даже при использовании идеальной воды или при применении специальных средств от накипи нет гарантий, что ТЭН не перегорит. У него есть определенный ресурс работы, по истечении которого наступает износ. О проблемах с ТЭНом сигнализируют коды неисправностей Н2 и Н3. Но чтобы выяснить, что именно произошло, нужно добраться до нагревателя. Есть модели Веко, в которых ТЭН стоит в задней части, есть и такие, у которых он размещен впереди.
Как заменить ТЭН?
Чтобы извлечь и проверить нагреватель, нужна разборка стиральной машины Beko. Последовательность действий:
- Чтобы достать ТЭН, расположенный впереди аппарата, необходимо демонтировать манжету на люке. Снимать ее следует крайне бережно — манжету легко повредить, что впоследствии приведет к протечкам.
- Вы можете увидеть хвост ТЭНа с контактами и идущими к ним проводками. Отсоединяйте провода.
- Тестером измерьте сопротивление. Нормальное значение лежит в диапазоне 25–30 Ом. Другие значения свидетельствуют о поломке.
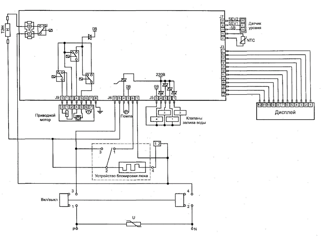
Принципиальные электрические схемы стиральных машин
Люди привыкли относиться к стиральной машине, как к обычной, рутинной части интерьера. Но пару столетий назад никто даже представить не мог подобные технически сложные устройства. Сегодня они стоят почти в каждом доме, помогают хозяйкам со стиркой, сушкой одежды. Залог безопасной, эффективной эксплуатации – тщательное изучение прилагаемой инструкции. А непосредственно помочь при ремонте могут знания внутреннего устройства техники. Электрическая схема стиральной машины не так сложна, как покажется на первый взгляд. Наша статья поможет вам в этом.
Все современные стиральные машины имеют примерно одинаковый набор функций, режимов. Незначительные различия могут быть в способах загрузки белья, дополнительных программах отжима. Общая электросхема стиралки поможет понять принцип работы этого оборудования, это положительно отразится на сроке службы, возможности самостоятельно исправить небольшую поломку.
Чистка слива
В СМА грязная жидкость пропускается сквозь фильтр слива, предотвращающий попадание волос, ниток и частиц грязи в насос. Задача пользователя — почистить фильтр. Но сперва следует его найти. Как правило, он расположен в нижней части аппарата. Перед извлечением фильтра поставьте рядом таз или положите тряпку — чтобы вода, хлынувшая из отверстия, не растеклась по полу.
В некоторых моделях «Беко» фильтр дополняется аварийным шлангом — для удобного слива жидкости. Как почистить слив:
- Поверните фильтр по часовой стрелке, достаньте его.
- Извлеченный элемент очистите от загрязнений, а затем вымойте под струей воды.
- Возьмите отвертку, чтобы почистить патрубок — в нем также может накапливаться мусор.

Коды и их расшифровка
F01 – не закрыта дверь стиральной машины
Открыта, не значит, что она распахнута. Просто закрылась она недостаточно плотно. Замок люка не зафиксировал её в правильном положении и не позволяет запустить стирку. Нужно просто открыть и закрыть дверь до щелчка. Проверить – не мешает ли что-нибудь закрытию замка.
F02 – в машину не поступает вода
Потребуется стандартный набор действий для исправления подобной проблемы. Убедиться в присутствии воды в водопроводе (и не закрыт ли сам кран). Потом осмотреть заливной шланг – не пережат ли он? Очищается сетка фильтра залива от частиц ржавчины из входящей воды. Это описание актуально для машин со стандартным шлангом залива. Про AquaStop позже.
F03 – вода из машины не выливается
Опять ничего нового. Возможные причины – засорение трубы канализации (если машина соединена с ней стационарно), засорение дренажного фильтра, неисправность сливной помпы или модуля управления. Нельзя исключить перегиб или засор сливного шланга. Как почистить фильтр стиральной машины легко узнать.
F17 – превышено время набора воды в машину
Если через 5 минут поступление воды не возобновится, стиральная машина автоматом запустит её слив. Действия по исправлению ситуации аналогичны тем, которые указаны для пункта с кодом F02. Но поскольку проблема может вызываться программным сбоем, нужно будет ещё попробовать перезапустить машину после слива.
F18 – превышено время для слива
Машина данным кодом показывает, что она не может слить воду. Причина – неисправность или засорение сливного насоса или датчика давления (он же прессостат). Для исправления ситуации может потребоваться очистка или замена сливной помпы. Или то же самое, но для прессостата.
F19 – вновь превышение времени, но уже нагрева воды
При подобной неисправности программа стирки будет завершена, но стирка будет производиться холодной водой. Что может вызвать проблему – пониженное напряжение в сети, поломка ТЭНа, некорректная работа датчика температуры. Что делать? Проверить напряжение в розетке, работоспособность ТЭНа и термодатчика при помощи мультиметра. Детали, пришедшие в негодность, попросту заменяются новыми.
F20 – незапланированное включение нагрева воды
Нагревательный элемент включается в момент, когда он не должен работать. При такой ошибке работа машины будет прекращена и появится оповещение о серьёзной поломке. Наиболее частая причина неполадки – выход из строя термодатчика. Скорее всего, придётся его поменять. Другой вариант, проблема в реле ТЭНа. Надо проверить контактную группу реле на залипание.
F21 – неисправна система управления либо двигатель привода стиральной машины
Проявляться проблема может неравномерным вращением барабана или полным отсутствием вращения. Машина будет пытаться запустить двигатель. Если не сможет, выдаст команду «Важная неисправность».
Вероятные причины – короткое замыкание в симисторах, неисправность тахогенератора или реле реверса. Проводится проверка мотора. По мере необходимости производится его ремонт или замена. Таходатчик на двигателе может сместиться. Или нарушена целостность его контактов.
F22 – неисправность термодатчика
Он может выйти из строя либо закоротить. Возможно, проблема вызывается нарушением проводки. Стиральная машина доводит процесс стирки до конца в обычном режиме, но нагрева воды не произойдёт.
Увидев указанный код ошибки, нужно проверить проводку и сам NTC датчик. Проверяется он подменой на исправный. Или замером сопротивления при комнатной температуре и при нагревании.
F23 – срабатывание системы защиты от протечек AquaStop
Состоит эта система из поддона с электронным датчиком наполнения и двойного шланга с электромагнитным клапаном, связанным с датчиком в поддоне с помощью провода. При наполнении поддона водой или разрыве внутреннего шланга срабатывает система защиты.
Что можно предпринять? Проверить целостность соединительной цепи защиты и внутреннего шланга (внешняя оболочка обычно прозрачная). Если система AquaStop исправна и воды в поддоне нет, проверяем давление в водопроводе и перезапускаем стиральную машину.
F25 – не работает AquaSensor
Проще – датчик замутнённости воды. С такой неполадкой стирка будет производиться, но без полоскания. Проблема может быть связана с загрязнением самого датчика или засором в сливной системе. Ещё одна возможная причина, поломка датчика уровня.
F26 – код показывает поломку прессостата
При данной ошибке процесс стирки прекращается, сливается вода и блокируется дверь и система контроля. Разблокировка производится кнопкой включения/отключения. Потребуется проверка датчика и его цепи.
Проверка термодатчика
Если после проверки оказалось, что нагреватель рабочий, приступайте к проверке термистора. Этот датчик распложен под верхней панелью. Достаньте и проверьте его:
- Открутите шурупы, чтобы убрать верхнюю панель.
- Извлеките контейнер для порошка и демонтируйте панель управления — эти элементы мешают добраться до термодатчика. Когда датчик будет доступен, отсоедините от него провода.
- Замерьте с помощью тестера сопротивление. При нормальных условиях — 4,7 кОм.

- Подогрейте датчик — опустите его в теплую воду, сопротивление должно уменьшиться. Если сопротивление остается неизменным — датчик сломан, придется его поменять.
- Монтируется термистор точно так же, как демонтируется — действия выполняются в обратном порядке.
Особенности типичных поломок стиральных машин Беко
Как было сказано ранее, все неисправности сопровождаются определенными признаками – от мелких сбоев в работе до полного отказа. Проблема домашнего мастера всегда заключается в одном – как же связать имеющиеся признаки поломки с ее причинами. Здесь вам как раз нужны знания и советы специалистов узкого профиля.
Далее мы кратко изложим информацию об основных поломках.
Проблемный слив отработанной воды в машинах Беко
Если вы знаете, как пользоваться стиральной машиной Beko, то в курсе, что отработанная после стирки вода не бывает прозрачной и чистой – такова специфика стирки. Чтобы грязь, нитки, волосы и прочее не засоряли насос, на пути к нему стоит специальный сливной фильтр, который в основном и страдает от засоров.
Ваша задача – отыскать этот фильтр, который обычно находится внизу стиралки, под небольшим люком или за панелью. Как действовать далее:
- Прежде чем извлекать фильтр, не забудьте подставить тазик или постелить тряпку под машину, потому что из отверстия обязательно хлынут остатки отработанной воды.
- Чтобы достать фильтр, просто поверните его вправо.
- Далее прочистите фильтр вручную и промойте под краном.
- Вооружившись отверткой, можете заодно прочистить и патрубок – он обычно тоже засоряется мусором из отработанной воды.
- Раз под руками у вас оказались инструменты, не спешите откладывать их подальше – для профилактики почистите и фильтр, который стоит на подаче воды (он находится в месте крепления шланга к задней панели). Песок и ржавчина из водопровода медленно собираются в этом фильтре и в итоге мешают нормальному заливу воды в барабан.
- Почистив заливной фильтр, не спешите ставить его на место – проверьте еще и сливной насос. Часто стиралки Беко при самодиагностике находят поломку помпы и сигнализируют об этом при помощи кода неисправности H5. Но при некоторых поломках контроллер может не видеть мелких нарушений – таких как разболтавшаяся крыльчатка (можно опознать, услышав гул).
- Для проверки помпы запустите режим слива и смотрите в отверстие пробки фильтра, как ведет себя крыльчатка. Если она вращается, то все в порядке, а если нет, то нужна прочистка или даже замена насоса.
Проблема с нагревом воды в машинке Beko
Для устранения такой проблемы также понадобится как минимум частичная разборка стиральной машины Beko, но об этом ниже.
Сначала скажем о том, что в СМ один из самых уязвимых узлов – это термоэлектрический нагреватель, попросту – ТЭН. Присутствующие в воде минеральные соли под воздействием горячей воды кристаллизуются и оседают на нагревателе в виде всем знакомой накипи – как в чайнике. Налет не пропускает тепло, поэтому ТЭН не отдает его воде и перегорает.
Если накипи нет, у вас мягкая вода, или вы пользуетесь специальными средствами, это не значит, что нагреватель не мог сгореть. ТЭН имеет свой ресурс выработки, и, может быть, как раз пришло его время.
Если ТЭН выходит из строя, вы узнаете об этом по ошибкам H2 и H3. Чтобы стопроцентно убедиться в том, что с ним случилось, вначале доберитесь до нагревателя. В одних моделях Beko он находится сзади, в других – спереди.
Итак, как разобрать стиральную машину Беко, найти ТЭН, проверить и заменить его, читайте далее:
- Если ТЭН находится спереди, то, чтобы снять переднюю панель, нужно удалить манжету люка. Чтобы снять ее, действуйте аккуратно – если что-то пойдет не так, то ваша деятельность чревата повреждениями манжеты и протечками.
- ТЭН целиком вы не увидите – только его хвостовик с двумя контактами и проводами, идущим к ним.
- Отсоедините все провода.
- Возьмите тестер и замерьте сопротивление. Обычно нормальными показателями будут отметки в 25-30 Ом. Если показатели другие (например, бесконечность), то поломка налицо.
- Достаньте ТЭН, отвинтив гайку с болта, который удерживает его под барабаном.
- Место установки очистите от мусора и налета.
- Установите новый ТЭН в обратном порядке, подключив на место всю проводку.
На этом видео показано в строгой последовательности, как снять, проверить и заменить ТЭН:
Если ТЭН оказался испавным, то нужно проверить и термодатчик (термистор). Вы найдете его под верхней крышкой. Как достать и проверить датчик:
- Снимите верхнюю крышку, открутив шурупы.
- Демонтаж датчика проводится с извлечением кюветки для моющих средств и панели управления – все это мешает добраться до элемента. Добравшись до датчика, освободите его от проводов.
- Сопротивление, измеряемое тестером, в комнатных условиях должно быть 4,7 кОм.
- Нагрейте датчик в стакане теплой воды – после этого показатели должны упасть. Если этого не произошло – датчик нужно менять.
- Монтаж нового датчика производится так же, как и демонтаж, только действуйте в обратной последовательности.
Распространенные проблемы и их устранение
Если принимать во внимание опыт мастеров сервисных центров, то станет очевиден тот факт, что стиральные агрегаты ВЕКО чаще всего подвержены следующим типам поломок:
- засорение сливной системы или поломка насоса;
- выход из строя электронных систем и модулей;
- поломка водонагревательных элементов;
- протечка водных магистралей;
- неисправность электромоторов, разрывы приводного ремня;
- наличие посторонних шумов во время работы.
Некоторые из них вполне можно исправить самостоятельно, даже не имея специальных знаний. Рассмотрим несколько примеров неисправностей и способы их устранения.
Плохой слив воды
Допустим, возникла проблема со сливом воды. Известно, что отработанная вода после стирки имеет множество примесей и органических загрязнений (волосы, частицы материи и т.д.). Прибавим к этому предметы, случайно оставленные в карманах одежды. И для того, что бы грязь не скапливалась в насосе, на её пути установлен фильтр, который забивается и не пропускает воду. А решить эту неисправность можно следующим образом:
- следует отыскать в машине сливной фильтр (он расположен в нижней её части);
- открутить его крышку, подставив предварительно ёмкость для слива воды;
- извлечь фильтр, промыть деталь под струёй воды;
- не устанавливая фильтр, проверить функциональность сливного насоса;
- установить фильтрующий элемент на место.

Вибрация агрегата
Например, при работе стирального агрегата, особенно при отжиме, машина начинает сильно вибрировать и прыгать в разные стороны
Прежде всего, следует обратить внимание на массу загрузки машины. При её превышении возможна такая вибрация
Второе, на что нужно обратить внимание — это правильность настройки опорных ножек агрегата. Их необходимо выставить по уровню, чтобы машина не шаталась. Кроме того, при установке агрегата рекомендуется использовать специальные антивибрационные подставки.
Плохая подача воды
Если вы заметили, что вода набирается медленнее обычного в бак стиральной машины, прежде всего, следует проверить не забит ли фильтр в шланге подачи. Для этого открутите сам шланг подачи воды, извлеките фильтр, и промойте его под струёй проточной воды. Поставьте фильтр обратно, и проверьте работу агрегата.






























